Ürünler
Salıncak Çek Valfı
  • Salıncak Çek ValfıSalıncak Çek Valfı

Salıncak Çek Valfı

Jinqiu Valve, tek yönlü valf veya çek valf olarak da bilinen otomatik bir valf olan kaliteli bir salınımlı çek valf üretmektedir. İşlevi, boru hattındaki ortamın geri akmasını önleyerek sıvının tek yönde akmasına izin vermektir. Boru hattı sistemine zarar verebilecek geri akışı (geri akış) etkili bir şekilde önler. Valf, ortamın geri akmasını önlemek için açma ve kapama bileşenlerini ortamın akışına ve kuvvetine göre açar veya kapatır.
Jinquan Valve is a high-tech enterprise integrating valve product research, production, sales, and service. As an H44H and H44Y type PN16 ~ PN250 swing check valves supplier, our customized swing check valves are suitable for pressures of 1.6 ~ 25MPa, working temperatures of -29 ~ +550 ℃, and are applicable to pipeline conditions in the petroleum, chemical, pharmaceutical, fertilizer, power industries, and other environments. Applicable media include water, oil, steam, acidic media, and so on. We have been operating in the valve manufacturing field for over twenty years. With our experience, we have won high praise from the market for our reasonable prices, high quality, and attentive service.

1. Otomatik Açılma ve Kapanma: Salınım çek valfi, ortam akış kuvvetine bağlı olarak otomatik olarak açılır ve kapanır. Medya belirtilen yönde aktığında valf diski itilerek açılır ve valf açılır. Medya akışı durduğunda veya geri aktığında, valf diski kendi ağırlığı veya yay kuvveti altında kapanarak geri akışı önler. Otomatik kontrol elde edildiğinden manuel işlem gerekmez.
2. Güvenilir Sızdırmazlık: Valf diskinin ve yuvasının sızdırmazlık yüzeyleri tipik olarak kaynaklı demir bazlı alaşımdan veya aşınmaya dayanıklı, ısıya dayanıklı, korozyona dayanıklı ve iyi çizilme direncine sahip Stellite kobalt bazlı sert alaşımdan yapılır. Bu, uzun vadeli istikrarlı bir sızdırmazlık etkisi sağlar ve ortam sızıntısını etkili bir şekilde önler. 3. Engelsiz Akış Kanalı: Akış kanalı rasyonel olarak tasarlanmıştır ve bu da düşük sıvı direnci sağlar. Medya, salınımlı çek valften sorunsuz bir şekilde geçerek basınç kaybını ve enerji tüketimini azaltır.

Performans parametreleri

modeli H44H-16C~250 H44W-16P~250
Çalışma basıncı (MPa) 1.6~25
uygun sıcaklık (°C) ≤425 ≤550
Uygun medya Su, buhar, yağ Zayıf aşındırıcı ortam
malzeme Gövde, kaporta, disk Karbon çeliği Krom nikel-titanyum paslanmaz çelik
Sızdırmazlık yüzeyi Karbon çeliği yüzey kaplama demir bazlı alaşımlar Gövde mühürlü

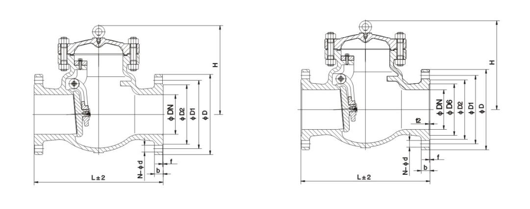
Ana şekil ve bağlantı boyutları

Nominal çapDN Ana boyutlar ve bağlantı boyutları
L D D1 D2 b Z-d H
H44H-16C H44W-16C H44W-16P H44W-16R H44W-16I
25 160 115 85 65 16 4-14 100
32 180 135 100 78 16 4-18 105
40 200 145 100 85 16 4-18 115
50 230 160 125 100 16 4-18 135
65 290 180 145 120 18 4-18 142
80 310 195 160 135 20 8-18 165
100 350 215 180 155 20 8-18 180
125 400 245 210 185 22 8-18 210
150 480 280 240 210 24 8-23 233
200 500 335 295 265 26 12-23 304
250 550 405 355 320 30 12-25 348
300 650 460 410 375 30 12-25 390
350 750 520 470 435 34 16-25 430
400 850 580 525 485 36 16-30 468
H44H-25 H44W-25 H44W-25P H44W-25R H44W-25I
25 160 115 85 65 16 4-14 100
32 180 135 100 78 16 4-18 105
40 200 145 110 85 16 4-18 115
50 230 160 125 100 20 4-18 160
65 290 180 145 120 22 8-18 175
80 310 195 160 135 22 8-18 185
100 350 230 190 160 24 8-23 220
125 400 270 220 188 28 8-25 248
150 480 300 250 218 30 8-25 276
200 550 360 310 278 34 12-25 350
250 650 425 370 332 36 12-30 410
300 750 485 430 390 40 16-30 430
350 850 550 490 448 44 16-34 518
400 950 610 550 505 48 16-34 560

Yapı resmi

Sıcak Etiketler: Salıncak Çek Valf, Çin, Özelleştirilmiş, Kalite, Dayanıklı, Gelişmiş, Üretici, Tedarikçi, Fabrika, Stokta
Talep Gönder
İletişim bilgileri
  • Adres

    No.1, Kuzey 1. Yol, Paslanmaz Çelik Yeni Şehir, Lecong Steel World West Yolu, Shunde Bölgesi, Foshan Şehri, Guangdong Eyaleti, Çin

Sürgülü vanalar, glob vanalar ve çek valfler veya fiyat listesi ile ilgili sorularınız için lütfen e-postanızı bize bırakın, 24 saat içinde sizinle iletişime geçeceğiz.

X
Size daha iyi bir gezinme deneyimi sunmak, site trafiğini analiz etmek ve içeriği kişiselleştirmek için çerezleri kullanıyoruz. Bu siteyi kullanarak çerez kullanımımızı kabul etmiş olursunuz. Gizlilik Politikası
Reddetmek Kabul etmek